京都电子(KEM)-可睦电子(上海)商贸有限公

KYOTO ELECTRONICS MAnuFACTURING(SHANGHAI)Co.,LTD.


T/SDSES 024-2023 再生丙二醇甲醚和丙二醇甲醚乙酸酯混合有机溶剂 - 水分
来源: | 来源:KEM China | 发布时间 :2026-04-13 | 789 次浏览: | 🔊 点击朗读正文 ❚❚ | 分享到:
本文件规定了再生丙二醇甲醚和丙二醇甲醚乙酸酯混合有机溶剂的分类和命名、要求、试验方法、检验规则、标志和随行文件、包装、运输和贮存。


范围、术语和定义、分类和命名
本文件规定了再生丙二醇甲醚和丙二醇甲醚乙酸酯混合有机溶剂的分类和命名、要求、试验方法、检验规则、标志和随行文件、包装、运输和贮存。
本文件适用于以电子器件制造行业产生的工业废酯、醇类等有机溶剂为原料,经蒸馏、精馏、精密过滤工艺等综合处理后所得的再生丙二醇甲醚和丙二醇甲醚乙酸酯混合有机溶剂,主要用于显示器制造、半导体分立器件、印刷等行业,不适用于食品行业。
下列术语和定义适用于本文件。
再生丙二醇甲醚和丙二醇甲醚乙酸酯混合有机溶剂  regenerated propylene glycol methyl ether and 1-Methoxy-2-propyl acetate mixed organic solvents
电子器件制造行业产生的含有丙二醇甲醚和丙二醇甲醚乙酸酯中一种或两种成分的有机废液,经蒸馏、精馏等方法处理后,能满足显示器制造、半导体分立器件、印刷等行业应用要求的混合有机溶剂。
分类和命名
产品按用途分为Ⅰ型和Ⅱ型, 其中Ⅰ型产品用于显示器制造、半导体分立器件等制造行业,Ⅱ型产品用于印刷等基本化工行业。

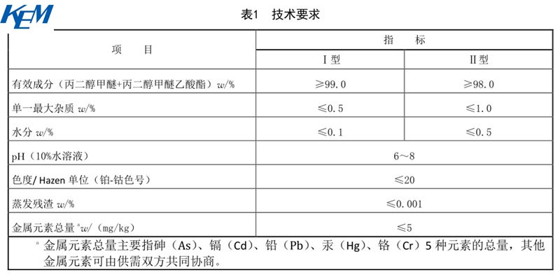
要求
外观:无色透明液体,无可见杂质。
再生丙二醇甲醚和丙二醇甲醚乙酸酯混合有机溶剂应符合表1的技术要求。


试验方法
水分的测定
按照 GB/T 6283 的规定进行。
GB/T 6283-2008 化工产品中水分含量的测定 卡尔·费休法(通用方法)


日本京都电子KEM适配仪器,一键点击直达:

京都电子KEM 容量法卡尔·费休水分测定仪 MKV-710S

操作视频