京都电子(KEM)-可睦电子(上海)商贸有限公

KYOTO ELECTRONICS MAnuFACTURING(SHANGHAI)Co.,LTD.


GB/T 17038-2025 内燃机车柴油机油 - 碱值(以KOH计)的测定 AT-710S
来源: | 来源:KEM China | 发布时间 :2025-12-08 | 84 次浏览: | 分享到:
本文件规定了用精制的矿物润滑油为基础油,加入多种添加剂调制而成的三代、四代、五代内燃机车柴油机油的产品分类和标记、技术要求和试验方法、检验规则及标识、包装、储运及交货验收。本文件适用于铁路内燃机车柴油发动机中使用的柴油机油,其中含锌油仅适用千非银轴承内燃机车柴油机的润滑。

GB/T 17038-2025 内燃机车柴油机油

京都电子KEM产石油产品自动电位滴定仪 AT-710系列 测定内燃机车柴油机油 - 碱值


范围
本文件规定了用精制的矿物润滑油为基础油,加入多种添加剂调制而成的三代、四代、五代内燃机车柴油机油的产品分类和标记、技术要求和试验方法、检验规则及标识、包装、储运及交货验收。
本文件适用于铁路内燃机车柴油发动机中使用的柴油机油,其中含锌油仅适用千非银轴承内燃机车柴油机的润滑。

术语和定义
本文件没有需要界定的术语和定义。

产品分类和标记
产品分类
本文件按照质量等级将内燃机车柴油机油分为三代含锌型、四代含锌型、四代非锌型、五代含锌型、五代非锌型等五个品种。三代油包含40一个黏度等级;四代油、五代油每个品种均包含40及20W-40两个黏度等级。
三代油:典型碱值(以KOH计)为10mg/g,适用于东风系列内燃机车。
四代油:典型碱值(以KOH计)为13mg/g,适用于东风系列内燃机车,含有银轴承的机车仅可使用非锌型机车油。
五代油:含锌油的典型碱值(以KOH计)为17mg/g,非锌油的典型碱值(以KOH计)为13mg/g或17mg/g,适用于东风、和谐、复兴及其他新型系列内燃机车。
产品标记
内燃机车柴油机油产品标记为:黏度等级 品种代号 内燃机车柴油机油
示例:20W-40五代含锌型内燃机车柴油机油。

技术要求和试验方法
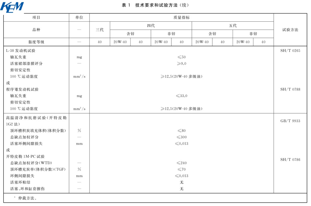
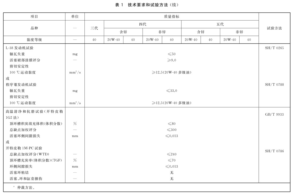
内燃机车柴油机油的技术要求和试验方法应符合表1规定。
表1.jpg

表1续.jpg

表1续-1.jpg

试验方法
碱值(以KOH计)          SH/T 0251
SH/T 0251-1993 石油产品碱值测定法(高氯酸电位滴定法)


实验仪器制备,推荐使用】碱值(以KOH计)的测定

产品介绍链接:

京都电子KEM 石油产品自动电位滴定仪 AT-710系列

AT-710+CHA-600.jpg

AT-710S操作视频: